[Máy biến áp] Thí nghiệm tổn hao điện môi
Khái quát
Với một điện dung lý tưởng không có bất kỳ tổn hao nào, góc lệch pha (φ) giữa dòng qua điện dung và điện áp đặt lệch nhau đúng một góc 90o. Trên thực tế, góc lệch pha này luôn nhỏ hơn 90o do tổn hao điện môi. Góc δ = 90 – φ được gọi là góc tổn hao điện môi

Tổn hao điện môi trong cách điện gây ra bởi:
· Sự dịch chuyển của các hạt mang điện.
· Sự dịch chuyển của các ion và electron.
· Hiệu ứng phân cực.

Hình 1: Hiệu ứng phân cực của electron trong điện trường

Hình 2: Hiệu ứng phân cực của ion trong điện trường

Hình 3: Hiệu ứng phân cực của các phân tử lưỡng cực trong điện trường
Sơ đồ đo tổn hao điện môi được chia làm hai loại
· Sơ đồ nối tiếp: Đặc trưng cho tổn hao phân cực trong máy biến áp

· Sơ đồ song song: Đặc trưng cho tổn hao điện dẫn trong máy biến áp

Khi chuyển đổi sơ đồ nối tiếp sang sơ đồ song song hay ngược lại thì các tham số điện trở và điện dung được tính bằng công thức chuyển đổi

Vì góc tổn hao điện môi và góc hệ số công suất phụ nhau. Do đó, khi đo được hệ số tổn hao điện môi ta cũng chuyển đổi sang được hệ số công suất và ngược lại như sau:

Mục đích
· Xác định chất lượng cách điện của điện môi, mức độ lão hóa, nhiễm ẩm , nhiễm bẩn của dầu MBA trong vận hành.
Phạm vi
· Bắt buộc đối với MBA cấp 35kV có dung lượng từ 10MVA trở lên
· MBA 110kV trở lên không phân biệt công suất
Phương pháp
1. Phương pháp cầu Schering
Phương pháp đo điện dung (Capacitance_C) và tổn hao điện môi (Dissipation Factor_DF) được công bố lần đầu bởi Schering năm 1919 và bắt đầu được sử dụng năm 1924.
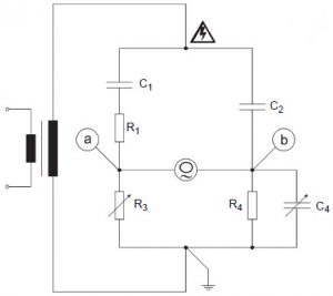
Sơ đồ cầu Schering:

Bao gồm:
+ Biến điện trở R3
+ Biến điện dung R4
+ Tụ mẫu C2
+ Đối tượng đo: C1 & R1
Mạch cầu cân bằng khi:

Giải mạch trên tìm được phần thực, phần ảo và giá trị tổn hao như sau:

Ưu điểm nổi bật của phương pháp cầu Schering là các giá trị tính toán tổn hao điện môi không liên quan đến tham số dòng điện hay điện áp nguồn. Do đó, độ chính xác kết quả đo không phụ thuộc vào nguồn cấp nhưng phụ thuộc vào cấp chính xác của các rất nhiều đại lượng khác như tụ mẫu, biến điện trở, biến điện dung, điện kế (chỉ thị cân bằng).
2. Phương pháp đo trực tiếp dòng điện
Hệ số tổn hao điện môi được đo bằng cách so sánh đối tượng thử với một điện dung mẫu (tụ điện lý tưởng thuần điện dung).
Sơ đồ mạch đo:

Đặt một điện áp bất kỳ (càng lớn giá trị càng chính xác, phụ thuộc vào khả năng phát điện áp, khả năng chịu đựng của đối tượng thử và tụ mẫu) lên đối tượng thử và tụ mẫu (mắc song song), thiết bị đo và so sánh dòng điện chạy qua 2 nhánh đó (IRef và ITest).
· Góc lệch pha giữa hai dòng điện (IRef và ITest) chính là góc tổn hao điện môi δ
· Giá trị điện dung được đo bằng cách chia điện áp đặt cho dòng điện ITest (bỏ qua điện trở RTest có giá trị rất nhỏ so với ZCTest)
Kết quả được đo một cách trực tiếp, không thông qua các đại lượng biến điện trở, biến điện dung. Do đó, kết quả đo chính xác hơn phương pháp cầu Schering, độ chính xác phụ thuộc vào tụ mẫu và thiết bị đo.
Đánh giá
· So sánh kết quả với NSX được quy đổi về cùng một nhiệt độ, giá trị tổn hao điện môi không được lớn hơn 30% kết quả đo được khi xuất xưởng hoặc lần đo trước
· Nếu kết quả đo tan δ trong mọi trường hợp đo được nhỏ hơn 1% ở nhiệt độ 20oC được xem là tốt và không cần so sánh
· Nếu MBA không có giá trị ban đầu, có thể tham khảo giá trị tối đa cho phép theo bảng sau:

Tài liệu tham khảo
1. CP TD1 reference manual [OMICRON]
2. TANDO 700 user manual [OMICRON]

